Frequency Control Products
   
 
   
 
   
 
   
   
   
 
 
 
 
 
 
 
For Compact Design with high reliability
  CERAMIC SMD TYPE CRYSTAL UNITS/CX3225
This is small ceramic surface mount type crystal unit.
¡á

Features

 

  1. Compact size(3.2x2.5x0.55mm typ.17mg typ.)
  2. Four pad mount package, optionable 2 pads
  3. Available high stability with strengthen environment condition
  4. Lead Free. Can meet the requirements of re-flow profiling using lead free solder.
¡á

Specification

Item
Type : CX3225
Application
For compact desing required circuit
Frequency Range
10.000 ~ 125.000MHz
Operating Temperature Range
-10 ~ +60¡É
Overtone
Fund to 35MHz~50MHz/3'rd to 125MHz
Frequency Tolerance(@25¡É)
¡¾ 10 ~ 50 x 10 -6
Temperature Characteristics (refered to +25¡É)
¡¾ 10 ~ 50 x 10 -6
Equivalent Series resistance
See table
Load Capacitance
8pF~32pF/Series
Drive Level
10§Ð ~ 200§Ð
Operable Temperature Range
-40 ~ +85¡É
¡á

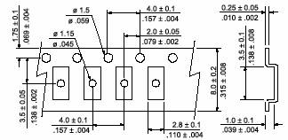
Dimensions

Reflow
¡Ø Table for ESR(§Ù)
Frequency
Equivalent Series Resistance
10.000~14.999
70 max
15.000~19.999
60 max
20.000~34.999
50 max
35.000~49.999
40 max
50.000~79.999
80 max
Carrier Tape
 
   
   
          Copyright ¨Ï 2007 Shinwoo. All rights reserved.