|
|
1. Both of digital
and anlogue design available.
2. Wide Temperature range and high performance specification
3. Base Station, Telecommunication Repeater and system
application
4. Lead Free. Can meet the requirements of re-flow profiling
using lead free solder. |
|
|
|
Item |
Type
: TX1196 |
Frequency
Range |
10.000
~ 140.000MHz |
Operating
Temperature Range |
-20
~ +70กษ
Typical -40 ~ +85กษ max. |
Overtone |
Fund
to 45MHz/3'rd to 140MHz |
Frequency
Tolerance(@25กษ) |
See Table |
Temperature
Characteristics |
See
Table |
(refered
to +25กษ) |
Supply
Voltage(VDD) |
5.0VDC/3.3VDC |
Input
Current |
10mA
(Load:10pF//10งฺ กพ10%
Each |
Frequency
Stability |
|
| กก
|
vs
Supply Voltage |
กพ
0.3ppm max. |
| กก
|
vs.
Load |
กพ
0.2ppm max. |
| กก
|
vs.
Agingกก |
กพ
1.0ppm max. |
Logic |
Clipped
Sine Wave |
Load
(Fan Out) |
10งฺ
// 10pF กพ
10% |
Output
Level |
0.8V
p-p Minimum |
Start-up
Time |
2
ms Typical at 90% Final Output Level |
|
|
 |
|
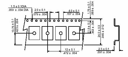
PAD
No. |
Connection |
#
1 |
NC |
#
2 |
GND |
#
3 |
Output |
#
4 |
VDD |
|
Table Part Numbering System |
Stability |
Temperature
Depend |
Part
No. |
Stability |
Part
No. |
Temp.Range |
TX-A |
กพ2.5ppm |
(A,B,C,D,F)-1 |
0กษ
~ 70กษ |
TX-B |
กพ2.0ppm |
(A,B,C,D,F)-2 |
-20กษ ~ 70กษ |
TX-C |
กพ1.5ppm |
(A,B,C,D,F)-3 |
-40กษ ~ 85กษ |
TC-D |
กพ1.0ppm |
How
to order using Part No. |
TC-F |
กพ0.5ppm |
TX-Stability
option - Temperature Range |
|
|
กแ |
Environment Characteristics |
|
Description |
Test
Condition |
High
Temperature Storage |
No
Bias @ +105 กพ2กษ duration 96 กพ2 HRS |
Low
Temperature Storage |
No
Bias @ -40
กพ2กษ
duration 96 กพ2 HRS |
High
Temperature & High Humidity Storage |
No
Bias @ 90กษ and 90~95 RH duration 96 กพ2 HRS |
Thermal
Shock |
No
Bias @ -40กษ/30 min. ~ +85กษ/30 min.within 15 cycle |
Vibration |
Frequency
: 20 ~ 2MHz |
Acceleration
: 5G max. |
XYZ
each direction x 30 min. |
Drop |
150cm,
120g Jig onto concrete |
each
6 side and 1 corner, total 3 times |
Solder
Ability |
See
Below Profile |
Solder
Heat Resistance |
See
Below Profile |
|
|
 |
|
 |